湿法收尘设备目前在国内主要有水浴除尘器和泡沫除尘器两种。ZnO粉粉尘很细小,且具有一定的回收价值,但一般不采用湿法除尘。当烟气温度由300℃降至200℃时,工作电压明显降低,并导致收尘效率降低。......
2025-09-29
1.功能说明
卡盘和尾架保护是利用CNC的存储型行程检查功能,设置禁区、防止刀具和卡盘或尾架干涉的一种保护功能,使用本功能后,CNC的存储型行程检查2和3将被禁止使用。
图8.3-18 Y轴刀具偏置显示页面
a)不使用磨损 b)几何偏置(形状)
图8.3-18 Y轴刀具偏置显示页面(续)
c)刀具磨损
卡盘和尾架保护功能可通过CNC参数PRM8134.1的设定选择,设定“1”时,卡盘和尾架保护功能有效,存储型行程检查2和3禁止使用;设定“0”时,卡盘和尾架保护功能无效,存储型行程检查2和3可以使用。此外,在无尾架的数控车床上,还可通过PMC的尾架保护撤销信号,取消尾架保护功能。卡盘和尾架保护在手动回参考点完成、机床坐标系建立后生效,这时,CNC可以像软件限位那样,自动对刀具的运动位置、轨迹进行检查,一旦进入保护区,CNC将立即停止运动,并显示报警。
卡盘和尾架保护功能可通过程序中的加工禁区保护指令G22、G23生效或撤销,指令的编程格式与要求可参见第2章2.5节,当卡盘和尾架保护功能生效时,G22用来生效卡盘和尾架保护功能;G23用来撤销卡盘和尾架保护功能。由于卡盘和尾架保护需要有较多的位置参数,它不能通过第2章2.5节所述的编程指令简单定义,因此,需要利用CNC参数PRM1330~1136/PRM1341~1348设定,或者,在MDI操作方式下,用MDI面板的功能键【OFS/SET】选择偏置/设定显示后,利用下述方法进行设定。
2.卡盘保护
卡盘保护参数的显示和设定操作步骤如下:
1)选择MDI操作方式、按MDI面板的功能键【OFS/SET】选择偏置/设定显示,并确认CNC的模态G代码处于G23(禁区保护无效)状态。
2)按软功能扩展键、显示软功能键〖卡盘-尾架〗,按该键后LCD可显示卡盘或尾架页面,用MDI面板的选页键【PAGE↑】、【PAGE↓】,选择图8.3-19所示的卡盘显示页。
3)用光标移动键【↑】、【↓】,选择卡盘参数。
4)用MDI面板输入保护区设定参数,按MDI面板的编辑键【INPUT】或利用〖输入〗、增量输入〖+输入〗软功能键输入。
卡盘保护参数中的CX、CZ用来定义卡盘的位置,它是工件坐标系上的位置值,故也可通过手动移动刀具到指定位置后,按软功能键〖设定〗,直接将当前的X、Z坐标值(相对)作为保护参数输入,但是,利用这种方式输入时需要注意:如当前位置是在刀具补偿无效的情况下,通过刀具定位所得到的数据,其输入值应需要增加刀具偏置值。(https://www.chuimin.cn)
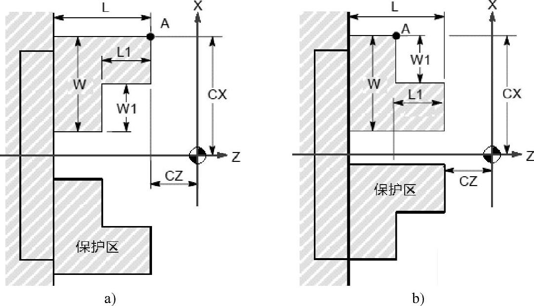
保护参数中的TY为卡盘类型选择,设定“0”为内爪(IN)、设定“1”为外爪(OUT),两者的保护区设定参数有图8.3-20所示的区别。设定参数应保证W≥W1、L≥L1,否则,输入无效。
图8.3-19 卡盘保护显示页面
图8.3-20 内/外爪显示页面设定参数
a)TY=1 b)TY=0
3.尾架保护
尾架保护参数的显示和设定操作步骤如下:
1)选择MDI操作方式、按MDI面板的功能键【OFS/SET】选择偏置/设定显示,并确认CNC的模态G代码处于G23(禁区保护无效)状态。
2)按软功能扩展键、显示软功能键〖卡盘-尾架〗,按该键后LCD可显示卡盘或尾架页面,用MDI面板的选页键【PAGE↑】、【PAGE↓】,选择图8.3-21所示的尾架显示页。
图8.3-21 尾架保护显示页面
3)用光标移动键【↑】、【↓】,选择尾架参数。
4)用MDI面板输入保护区设定参数,按MDI面板的编辑键【INPUT】或利用〖输入〗、增量输入〖+输入〗软功能键输入。
尾架保护参数中的TZ用来定义尾架的位置,它也是工件坐标系上的位置值,故同样可通过手动移动刀具到指定位置后,按软功能键〖设定〗,直接将当前的Z坐标值(相对)作为保护参数输入,但是,如当前位置是在刀具补偿无效的情况下,通过刀具定位所得到的数据,其输入值也应增加刀具偏置值。此外,虽然实际顶尖角通常为60°,但尾架保护参数D3应按照顶尖角90°计算后输入;设定参数应保证D2≥D3,否则,输入无效。另外,尾架保护区的设定不能和卡盘保护区重叠,否则,同样无效。
相关文章
湿法收尘设备目前在国内主要有水浴除尘器和泡沫除尘器两种。ZnO粉粉尘很细小,且具有一定的回收价值,但一般不采用湿法除尘。当烟气温度由300℃降至200℃时,工作电压明显降低,并导致收尘效率降低。......
2025-09-29
1902年,Cohen采用直流电动机首次完成了外加电流阴极保护的实际应用。与此同时,德国的Haber和Goldschmidt从1906年起在阴极保护的基础研究方面进行了卓有成效的探索。阴极保护所需要的设备、材料、附配装置等得到了快速发展,检测和监控更加先进,应用范围也不断扩大。我国对阴极保护技术的研究和开发起步于新中国成立后。自1976年后,阴极保护技术在国内的发展步伐加快,取得了长足的进步。......
2025-09-29
对于容量较小的变压器,可在其电源侧装设电流速断保护,与瓦斯保护配合反映变压器绕组及引出线上的相间短路故障。躲过变压器空载投入时的励磁涌流,通常取图10-4变压器电流速断保护单相原理接线图式中 IN——保护安装侧变压器的额定电流。......
2025-09-29
为了使晶体管更好地截止,应采用Ice0较小的管子。在切断这些电感负载时会产生感应过电压,因而可能击穿三极管,为此需采取保护措施。采用二极管和电容保护的电路。1)当输入信号较强时,采用单管电路,其保护电路如图1-43所示。......
2025-09-29
以上三个参数都可以在实验室中直接测得,但在实际进行阴极保护时,必须综合考虑各方面的因素,选择一个最佳的保护电位和保护电流密度。表4-4列出了钢铁在不同腐蚀环境中所需的最小保护电流密度。实际的保护电流密度除了与金属性质、介质成分、浓度和温度等因素有关外,还与被保护设备的表面状态、介质流动速度和表面阴极沉积物等因素有很大的关系。表面状态不同,所需的保护电流密度相差可达10倍以上。......
2025-09-29
熔断器串入电路,当电路发生短路或过载时,通过熔断器的电流超过限定的数值后,由于电流的热效应,使熔体的温度急剧上升,超过熔体的熔点,熔断器中的熔体熔断二分断电路,从而保护电路和设备。螺旋式熔断器的检测。......
2025-09-29
相关推荐