S6级工作制电动机通常情况下只允许电动机在短时间超载运行,扶梯超载20%运行2min,即可视为符合使用要求。6极电动机多用于对扶梯工作寿命要求较高的公交型扶梯或重载型扶梯上。转差率大的电动机有载时的转速会明显低于空载时的转速。自动扶梯在运行中载荷变化比较大,而载荷的变化不应对扶梯的速度产生明显的影响,因此大都采用转差率较小的电动机。......
2025-09-29
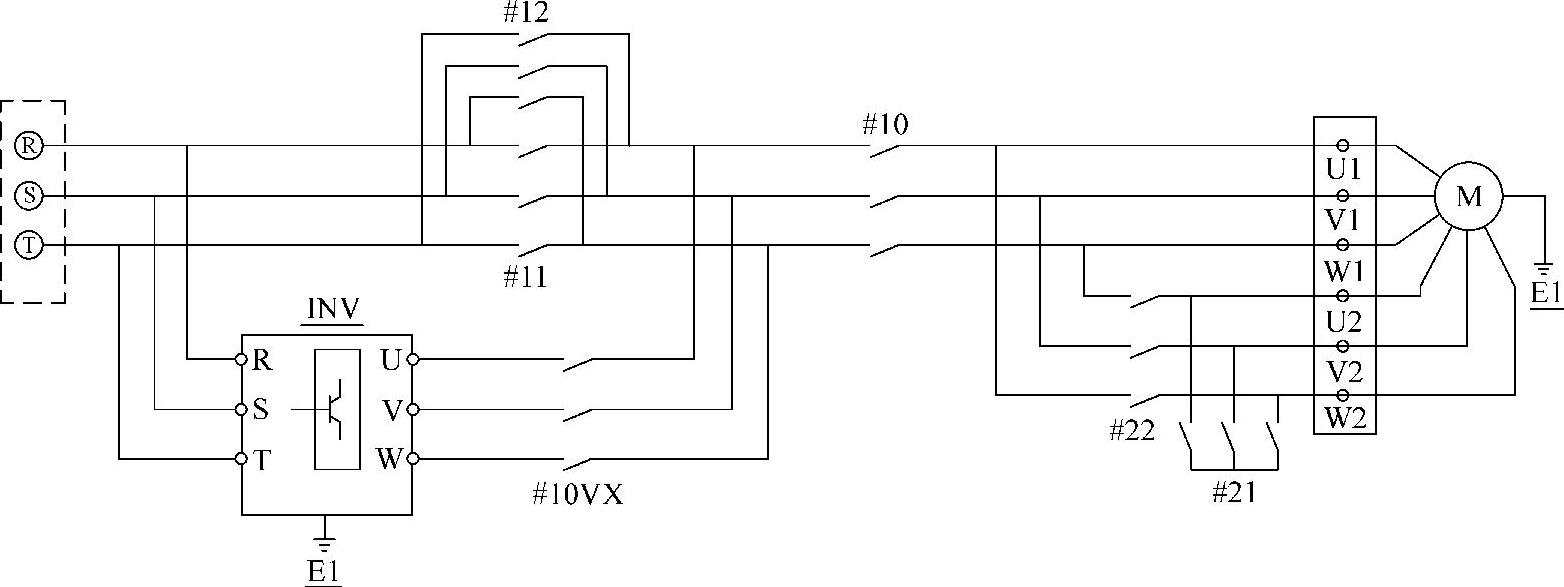
1.节能电路设计
如图8-4-1所示是一个常见的变频电路。
图8-4-1 变频电路
下面对图8-4-1做一些简单说明:
12—无变频时的下行接触器 11—无变频时的上行接触器
10—电动机电源接触器 10VX—变频电源接触器
21—星形联接接触器 22—三角形联接接触器
M—电动机 INV—变频器
(1)变频器工作回路
如果系统是通过变频器驱动,电源的回路如下:
电源→INV→10VX→22→M(电动机)
由于采用变频器驱动时,启动电流较小,可以取消22接触器。但在设计中应注意,电源应由两个独立的接触器来中断,接触器的触头应串接于供电电路中,如果自动扶梯停止时,接触器的任一主触头未断开,则重新启动是不可能的。
如果简单地用变频器来替代接触器是不符合规范要求的,变频器必须按以下要求设计:
1)增加用来阻断功率半导体元件中异常电流流动的控制电路,该电路检验自动扶梯每次停止后,变频器内部是否还有电流流动,如果发现此情况必须有能阻断电流流动的电路。
2)正常停止期间,如果功率半导体元件未能有效阻断电流流动,控制电路应使变频器以外的接触器释放并应能防止自动扶梯重新启动。
3)切断各相(极)电流的接触器。当自动扶梯停止时,如果接触器未释放,则自动扶梯应不能重新启动。
4)设置用来阻断静态元件中电流流动的控制装置。用来检验自动扶梯每次停止时电流流动阻断情况的监控装置。
5)正常停止期间,如果静态元件未能有效阻断电流的流动,监控装置应使接触器释放并应防止自动扶梯重新启动。
(2)直接启动时的回路
无变频器驱动时,电源的回路如下:
电源→11(或12)→10→21→M(启动时,星形联接)
电源→11(或12)→10→22→M(正常运行时,三角形联接)
2.旁路变频方式
对于一般的自动扶梯,只需要有节能速度和额定速度两种速度,因此,水泵的旁路变频工作方式也可应用于自动扶梯的设计中。
(1)拖动方式 以图8-4-1变频电路为例,对于旁路变频,自动扶梯在低速运行及加减速运行时,采用变频器拖动,当自动扶梯运行到额定速度时,通过电网直接拖动(通过接触器旁路)。(https://www.chuimin.cn)
低速运行及加减速运行时:电源→INV→10VX→22→M(电动机)
额定速度运行时:电源→11(或12)→10→22→M(正常运行时,三角接法)
旁路变频控制曲线如图8-4-2所示。
(2)变频器配置 由于变频器只在扶梯低速及加速过程中驱动电动机,这时候自动扶梯处于无负载或低负载的状态,因此,变频器功率等级可以低于电动机功率,一般按60%配置就可以满足要求。但是,由于各个厂家的具体设计方式不一样,因此变频器的功率需要通过计算仔细确认,同时需要通过试验进行确认。
图8-4-2 旁路变频控制曲线
(3)旁路变频的特点
1)旁路变频的优点。与传统的变频控制方式比,旁路变频的控制方式有相当多的优点:变频器功率小、成本低;由于变频器工作的时间相对较少,所以寿命更长;自动扶梯下行时运行在第4象限(发电状态),产生的再生能量可以高质量直接反馈回电网,而且没有电力电子能量回馈装置可能产生的谐波等电源质量问题;由于扶梯发电的能量直接反馈回电网,变频器的制动电阻功率配置相对全变频而言显著减小,同时也不会有发热问题。
2)旁路变频的缺点:只有两种速度模式;变频向工频切换时,由于电网的相位和电机的剩余电动势的相位不一致,会产生较大的冲击,影响乘客乘坐的舒适感;为克服旁路切换造成的冲击,可以采用下述技术措施:切换时同时检测电动机和电网的相位;跟踪电网电压相位,变频器调整输出,使电动机的电压相位保持一致时进行切换。采取措施后,旁路变频最大的缺点也就可以克服了。旁路切换振动比较如表8-4-1所示。
表8-4-1 旁路切换振动比较
3.全变频方式
全变频的工作方式属于传统的节能方式。
(1)拖动方式 以图8-4-1变频电路为例,对于全变频方式,自动扶梯全程采用变频器拖动。
电动机供电方式:电源→INV→10VX→22→M(电动机)
全变频控制曲线如图8-4-3所示。
图8-4-3 全变频控制曲线
(2)变频器配置 由于自动扶梯全程由变频器驱动,因此相关的配置要求较严格。
1)变频器功率需按大于电动机功率进行配置。由于自动扶梯全程由变频器驱动,变频器的功率必须比电动机大,对于室内用的自动扶梯,可以按1∶1进行配置。但对于室外梯,考虑到散热的问题,变频器功率需按大于电动机功率进行配置。
2)制动电阻功率配置。当自动扶梯满载下行发电时,会产生很大的再生能量,对于机械效率高的系统,再生能量可以达到电动机额定功率的70%~80%。这意味着,如果一台30kW的电动机,需要配置21~24kW的电阻。同时,自动扶梯发电产生的能量全部通过电阻消耗,然后再通过热的方式转化到环境中,对楼宇的空调系统会造成一定的影响。
(3)全变频的特点
1)全变频的优点。与旁路变频相比,全变频有以下优点:可以设置多种速度,使用相对较灵活;速度变化平滑。
2)全变频的缺点。变频器功率大,使用寿命相对较短;自动扶梯发电的再生能量通过电阻消耗,浪费能源;制动电阻功率大,发电时产生的热量对楼宇空调系统有影响。
相关文章
S6级工作制电动机通常情况下只允许电动机在短时间超载运行,扶梯超载20%运行2min,即可视为符合使用要求。6极电动机多用于对扶梯工作寿命要求较高的公交型扶梯或重载型扶梯上。转差率大的电动机有载时的转速会明显低于空载时的转速。自动扶梯在运行中载荷变化比较大,而载荷的变化不应对扶梯的速度产生明显的影响,因此大都采用转差率较小的电动机。......
2025-09-29
有功功率和无功功率的测量电路基本相同,区别在于所用仪表不同。下面以有功功率测量电路为例来介绍功率的测量。图2-13 有功功率表图2-14 无功功率表图2-15 用功率表直接测量功率的测量电路1.单相功率的测量电路单相功率直接测量电路单相功率的直接测量电路如图2-15所示。图2-19 三表法功率测量电路......
2025-09-29
通常情况下为方便制作及管理,可将上述几种结构的玻璃型护栏的特点归纳为:区别仅在于玻璃以上的部分,玻璃以下的部分的结构基本相同。标准型玻璃护栏的照明装置需根据要求进行配置,目前,市场上通用的照明灯常选用多根冷极灯管组合而成。......
2025-09-29
图4-1列出了几种常见的变频器。当主电路出现电压不正常或输出电流过大时,控制电路通过检测电路获得该情况后,会根据设定的程序作出相应的控制,如让变频器主电路停止工作,并发出相应的报警指示。从图中可以看出,交-交型变频器与交-直-交型变频器的主电路不同,它采用交-交变频电路直接将工频电源转换成频率可调的交流电源的方式进行变频调速。......
2025-09-29
在使用外部操作方式时,通过操作与控制电路端子连接的部件来控制变频器的运行。图4-14 外部操作方式的接线操作过程采用外部操作方式对电动机进行正、反转和调速控制的操作过程见表4-5。......
2025-09-29
自动扶梯的超速检测一般通过检测减速机的速度来进行判断。电动机和减速机的连接方式有带传动方式,也有链传动方式。自动扶梯的测速方式有2种,分别是数脉冲的方式和测量脉冲周期的方式。如果选用接近开关进行速度检测,那么每秒的脉冲数一般为64个,则选择1s为测量周期比较合适。上述两种检测方式,可以单独使用,也可以一起使用,同时使用不仅可以提高检测精度,也可以提高抗干扰能力。......
2025-09-29
自动扶梯的结构参数由倾斜角、水平梯级数量、上下端导轨曲率半径三个与搭乘安全性有关的设计数据组成。水平移动的梯级数量多,人员就容易登上梯级,搭乘安全性就好;但水平移动的梯级多会增加扶梯的长度,占用建筑物的空间大,同时扶梯的造价也会相对高。由于关系到安全使用,GB 16899—2011中,有如下规定:1)名义速度小于等于0.5m/s,且提升高度不大于6m时,水平移动距离不应小于0.8m。水平梯级之间的高度允差是5mm。......
2025-09-29
自动扶梯的规格参数由速度、梯级名义宽度和提升高度三个数据组成,它决定了自动扶梯的工作能力。但需要指出的是,GB 16899—2011没有规定自动扶梯的额定载荷如何计算。因此,额定速度目前也没有确定的测量方法,只是GB 16899—2011上的一个名词。GB 16899—2011规定梯级的宽度应在0.58~1.1m。这个尺寸包含了0.60m、0.80m、1.00m三种标准规格的梯级标称宽度。在标称宽度一样的情况下,不同品牌扶梯的实际梯级宽度会略有不同,但一般都在规定的范围之内。......
2025-09-29
相关推荐