【摘要】:图5-12 简单直接网络驱动接口RS-485市场上可购得的RS-485收发器与其他的收发器相比,在费用、性能及体积上都有较多的优势。有了RS-485收发器,通用方式的电压范围要好于直接驱动接口所能获得的电压范围,但又低于变压器耦合式收发器。表5-6 Echelon公司的收发器产品2.PLT-22电力线收发器Ehelon公司提供有一组适用于北美、欧洲及全球市场的电力线收发器,其工作性能很好。
1.双绞线收发器
双绞线收发器是最通用的收发器类型。在许多设计中,双绞线收发器配置可以获得较高的性能价格比。双绞线与Neuron芯片接口有以下三种基本类型:
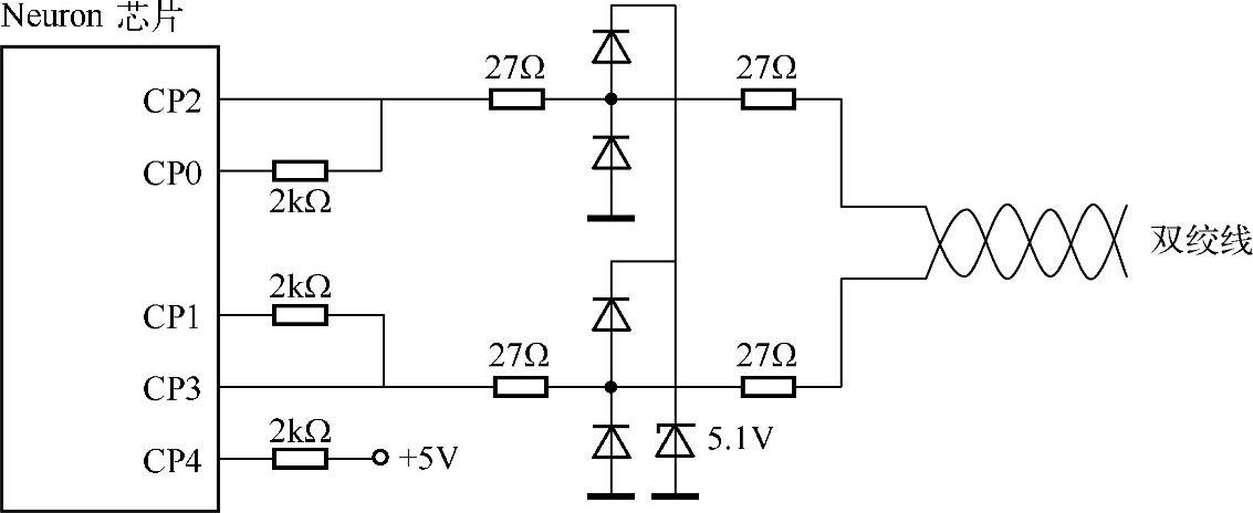
(1)直接驱动接口
直接驱动接口使用Neuron芯片内部收发器,外接电阻和二极管以限流和ESD保护,如图5-12所示。如果网络上最多可达64个节点,各节点使用普通电源,电路板支持的数据速率最大可达1.25 Mbit/s。普通方式的电压范围为0.9V~VDD-1.75V,传输距离最远为30m,这样的网络配置选择直接驱动接口是最理想的。

图5-12 简单直接网络驱动接口(用于直驱差分工作方式)
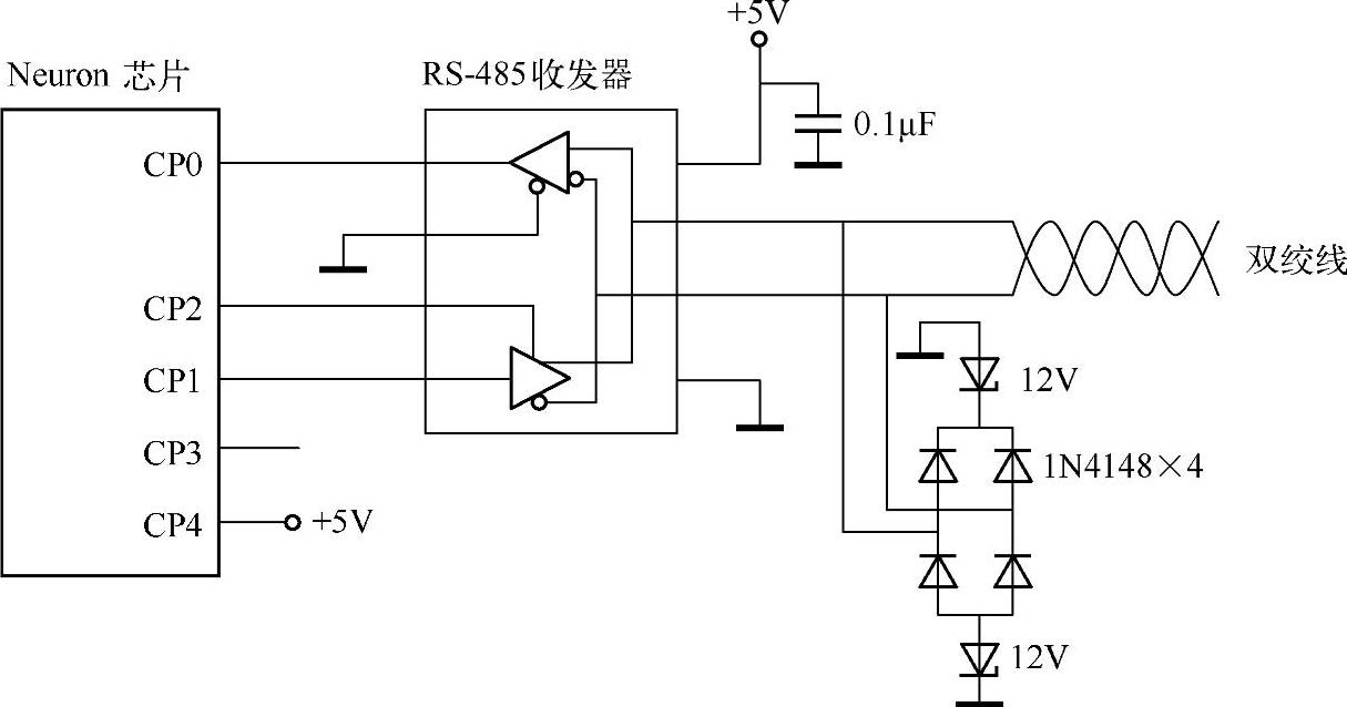
(2)RS-485
市场上可购得的RS-485收发器与其他的收发器相比,在费用、性能及体积上都有较多的优势。在外部部件参数不变的情况下,能支持多种数据速率(最高为1.25 Mbit/s)以及多种类型的传输线。有了RS-485收发器,通用方式的电压范围要好于直接驱动接口所能获得的电压范围,但又低于变压器耦合式收发器。通用方式的电压范围是-7~+12V,当然还可增加光电隔离器来提高其电压范围。
RS-485芯片有两种:双极性器件和CMOS器件。两者相比,CMOS器件功耗低,无须驱动输出,但该类器件的价格要高于双极性器件。
要实现RS-485网络,Neuron芯片通信端口应采用单端工作方式。为确保网络节点的互操作性,LonMark指标建议拥有RS-485收发器的节点使用39 kbit/s的数据速率。
RS-485典型电路如图5-13所示。

图5-13 RS-485典型电路
该电路能支持32个节点,节点数据速率为39 kbit/s,传输距离最远可达600m。使用普通电源,RS-485能很好地工作,个别的节点当通用电压超出-7~+12V时,将会损坏。
(3)变压器耦合接口
对于需要高性能、高隔离度、高抗干扰能力的应用最好使用变压器耦合接口。变压器耦合收发器设计的数据速率可达到1.25 Mbit/s。变压器的类型很多,设计人员可以开发自己的变压器耦合电路,如2线或4线的变压器。Echelon公司提供有78 kbit/s和1.25 Mbit/s数据速率的收发器,见表5-6。Echelon的收发器最突出的一点是灵活的拓扑结构(FTT-10/ LPT-10),不仅支持总线、环形,还支持星形拓扑结构。
表5-6 Echelon公司的收发器产品

2.PLT-22电力线收发器
Ehelon公司提供有一组适用于北美、欧洲及全球市场的电力线收发器,其工作性能很好。当Neuron芯片与电力线收发器接口时,其通信端口应工作在单端工作方式,通信速率最高可达10 kbit/s。
PLT-22是可在全球应用的电力线收发器。
(1)PLT-22技术特点
为了确保在电力线上的可靠工作,PLT-22电力线收发器具有如下技术特点:
1)带有数字信号处理技术的BPSK技术:Echelon把噪声抑制和气表纠正的专利算法技术应用到数字信号处理内核中。这些性能使得收发器可以纠正电力线信号中多种多样的干扰,包括脉冲噪声、连续音频噪声和相位畸变等。
2)双载波频率:当首选载波频率被噪声阻塞的时候,独特的双载波频率功能自动地选择第二载波频率传送。
3)前向纠错:许多噪声源主要是通过损坏数据包的办法来干扰电力线信号。PLT-22在循环冗余校验码的基础上,采用高效低消耗的前向纠错码算法来克服错误包。
4)强大的输出放大器:能发出7V峰峰值信号。
5)更宽的动态范围:动态范围和接收器的灵敏度有关。PLT-22的动态范围大于80dB。在一条低噪声的传输线上收发器可以接收衰减达104的信号。
这些特性的结合使得该收发器在消费类电子产品、发电机、电子镇流器、调光器以及其他通常的噪声干扰场合能可靠运行。PLT-22收发器可以通过低成本的外部耦合电路在任何AC或者DC输电线上通信。PLT-22符合FCC、加拿大工业、日本MPT、EIA709.2以及CENELEC EN 50065-1标准,可以在全球范围内使用。
(2)PLT-22的工作原理
PLT-22的引脚定义见表5-7,内部框图如图5-14所示。它包含接收与A-D转换器、数字信号处理单元、发送/放大和滤波等电路。
表5-7 PLT-22电力线收发器引脚定义


图5-14 PLT-22内部结构框图
接收与A-D转换单元把从电力线耦合来的信号滤波并将模拟信号转换为数字信号。数字信号处理单元是信号处理的核心部分,它一方面将A-D转换单元处理后的数字信号进行解码处理,并将处理后的数据与神经元芯片进行交换;另一方面,它将需要发送的信号进行编码处理。D-A单元的主要作用是将数字信号处理单元处理后的要发送的数字信号转换为模拟信号。发送/放大和滤波电路将D-A转换后的信号进行功率放大并发送到耦合电路。
PLT-22传输数据采用双频模式,其中132 kHz为主频。如果132 kHz被噪声干扰,则自动采用第二载波频率115 kHz传输数据。
时钟输出端CLOUT的输出由外接晶振频率分频得到。分频数由复位器件采样的CK-SEL0和CKSEL1组合决定。具体为:CKSEL0、CKSEL1均为低电平时8分频;CKSEL0为高CKSEL1为低时4分频;CKSEL0为低CKSEL1为高时2分频;CKSEL0、CKSEL1均为高时1分频。
PLT-22可对输出信号幅度电平进行控制。TXOUT输出的载波幅度受TXLVL控制。TXLVL接地时TXOUT的输出载波幅度为7V(Vp-p),TXLVL悬空时TXOUT的输出载波幅度为3V(Vp-p)。另外,PLT-22提供了2个输出信号PKD和BIU。在CENELEC EN 50065-1标准下,只要131.5~132.5 kHz之间有超过80 dB 4 ms的信号都能被BIU探测器检测到,并在BIU引脚输出高电平。
(3)与神经元芯片的连接
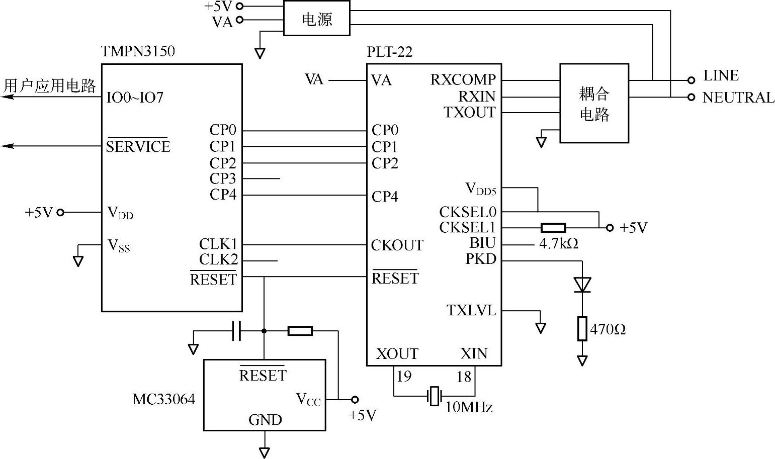
神经元芯片拥有多功能的通信端口,它有5个引脚CP0~CP4,可以配置与多种网络收发器相连接,以适应不同的编码方案和不同的波特率。在使用PLT-22收发器时,传输速率达到5 kbit/s,TMPN3150和PLT-22电力线收发器之间的连接关系如图5-15所示。设计中主要解决了以下几个问题:
(https://www.chuimin.cn)
图5-15 TMPN3150和PLT-22连接图
1)时钟问题。PLT-22和3150都需要10 MHz的晶振。为简化电路只对PLT-22提供晶振,同时把PLT-22的CKOUT引脚连接到3150的输入时钟引脚CLK1上。CKSEL0和CKSEL1决定着对10 MHz频率分频的分频数。如图CKSEL0和CKSEL1接到高电平,时钟频率为1倍分频即10 MHz。
2)电平控制。TXLVL控制着输出电平的幅值,当它接地时,输出7Vp-p;当它悬空时,输出3.5Vp-p。当PLT-22直接和耦合电路相接时,应使输出电平为7Vp-p,以使发送功率最大,这种方式也是推荐的方式。只有在PLT-22发送端接PLT-21芯片(信号放大器件)进行信号放大时,将输出电平置为3.5Vp-p,以节省电源功率的损耗。
3)复位问题。3150和PLT-22的复位端一起接至LVI(Low Voltage Indicator,低电压保护)电路的复位输出端。当电源电压抖动或低于允许电压时,神经元芯片和PLT-22同时进行复位,保证了它们可靠地同步工作。
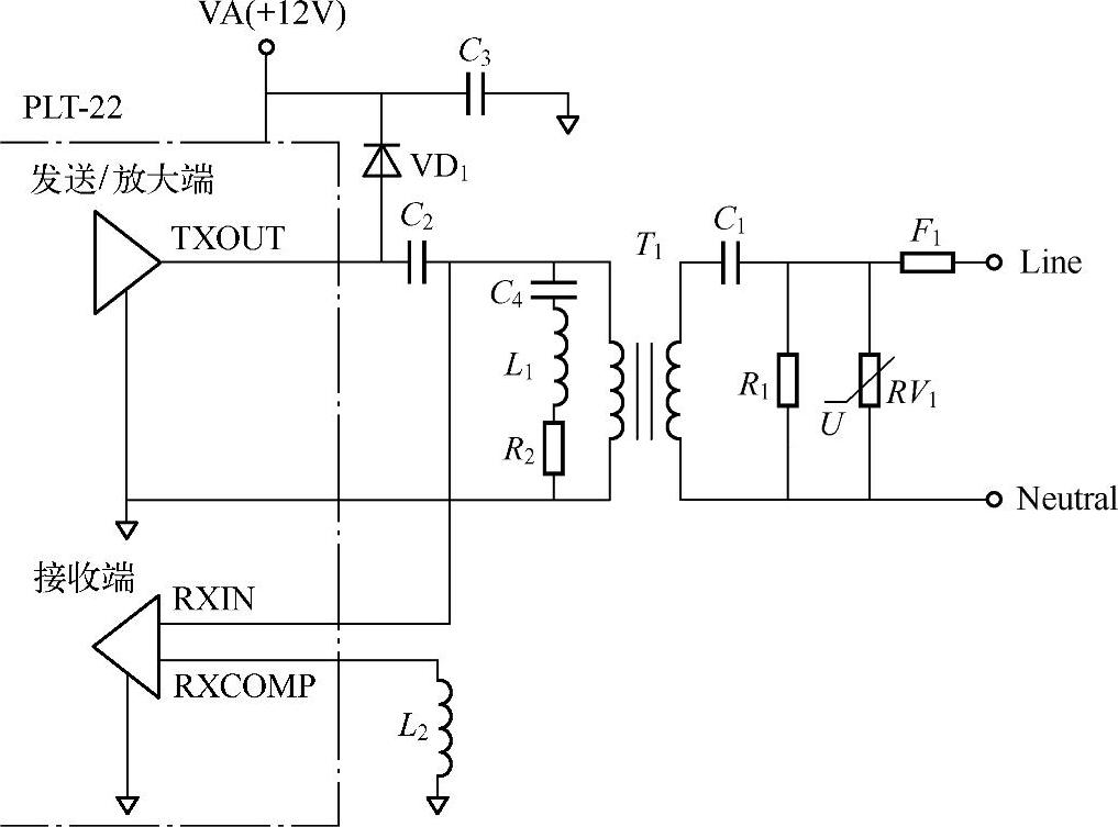
(4)耦合电路的设计
电力线上通的是50 Hz的工频交流电,而有效信号是110~140 kHz的高频信号。耦合器的作用就是将信号叠加到工频正弦波上,然后将其还原。耦合电路的选择和实施要慎重,它对PLT-22能否保持良好的通信能力有很大的影响。

图5-16 基本耦合原理电路
在电网和信号发送端之间接一个高通滤波电路可实现耦合电路。滤波方式有无源滤波、有源滤波和数字滤波等。由于现场条件复杂,若采用有源滤波,难以保证器件的稳定性,容易引入新的噪声;而数字滤波较适合弱电领域。综合考虑各方面的因素,采用无源滤波可解决高低压转换问题且成本较低,是较好的解决方案。设计中采用无源高通LC滤波电路,基本原理图如图5-16所示。
电容值的选取要在通信频率下呈现低阻抗,在工频下呈现高阻抗;另一方面,电容的阻抗值是发送端输出阻抗的一部分,在通信频率下,要对信号的分压作用小,以减少信号的衰减。电感值的选取应该在通信频率下呈现高阻抗;另一方面,电感可看作输入阻抗的一部分,增大阻抗能减小信号的衰减。
上面介绍的只是耦合电路的模型,实际使用时要考虑其他因素。尽管线-地耦合方式对信号的衰减更小,但是这种方式的使用受到现场条件的限制。考虑到很多设备的供电方式是“单相两线制”,故耦合方式采用了线-中耦合方式,实际耦合电路如图5-17所示。

图5-17 隔离耦合电路原理图
为更好地保护PLT-22收发器和使用者,设计中采取了多种保护措施。加入了变压器隔离,变压器代替了LC滤波电路中的电感。滤波器一边是只有十几伏的弱电,一边却是高达220V的强电,变压器对两者进行了隔离,这样节点与电力线完全隔离,操作更安全。另外,强电端的相线和中性线互相调换不会影响耦合电路的工作。在信号发送端和电源VA之间加入二极管VD1,可以在PLT-22收发器出现瞬间高电压时对收发器提供保护。
图5-17中,为防止电感对发送/放大端的直流电压造成短路加入了一个电容C2。电容C1和C2在通信频率下应为低阻抗,由于多数情况下电力线的阻抗为1~2Ω,PLT-22收发器的输出阻抗也小于1Ω,因此这些电容的阻抗值不能大于1Ω,否则会造成信号的衰减。要注意的是,C1位于高压的一端,接的是220V的交流电,它的承受值必须大于400V以上,以避免发生高压击穿。
可控硅控制的调光器对周围环境产生的噪声脉冲幅度可达50V以上,而且噪声频率靠近132 kHz和115 kHz的通信频率。由C4、L1和R2组成串联谐振电路,其谐振频率调谐在噪声的中心频率上,可以对此类噪声进行短路处理。要注意的是,当通信距离较远(大于300m)时,可以在终端线缆上加上终端电路,即把100Ω的电阻和0.47μF的电容串联后接在电力线两端。
3.PL3120和PL3150电力线智能收发器
新一代PL3120和PL3150智能收发器把神经元芯片的核心和电力线收发器集成在一起,使之成为家电、音频/视频、照明、暖通、安防、抄表和灌溉等应用十分理想的选择。由于这种单片系统方式的采用,包括用于运行应用程序和网络通信的神经元处理器内核、可选的内置或外置存储器,以及非常小的其他元器件,所有这些的价格都十分便宜,这使得那些对价格极为敏感的用户也产生了很大兴趣。而且PL3120和PL3150采用超小型的封装模式。
该智能收发器在消费类电子产品、电力线对讲设备、发电机、电子镇流器、调光器以及其他通常的噪声干扰场合都能可靠运行。智能收发器可以通过低成本的外部耦合电路在任何AC或者DC输电干线(或无动力的双绞线)上通信。
PL3120和PL3150电力线智能收发器符合FCC、加拿大工业、日本MPT和欧洲CEN-ELEC EN50065-1规范,所以能够在世界范围内使用。CENELEC通信协议通过智能收发器自动管理,避免了用户在CENELEC EN50065-1下开发复杂的同步和访问算法的需求。另外,该智能收发器可以在CENELEC公用频段(A波段)或者通常的信号发送波段(C波段)应用中使用,避免了为适用不同的应用而库存很多元件的情况发生。
存储在内嵌的E2PROM中(PL3120智能收发器)或者外部非易失性存储器中(PL3150智能收发器)的应用程序能够通过电力线网络更新。这个很有价值的特性使产品的升级不需要通过物理接触就可实现,也就是可以从一个带有电力线接口的本地PC或者从一个通过Echelon公司的i.LONTMInternet服务器连接的远程服务中心实现产品升级。内嵌的E2PROM可以支持至少10000次的写入而不会丢失数据。存储在E2PROM中的数据最少可以保留十年。
PL3120和PL3150电力线智能收发器是一种低功耗的收发器。很宽的供电范围和较低的接收电源消耗允许使用低成本电源。另外,智能电力线收发器内含电源管理特性,可以经常监测设备的电源状况。如果在发送期间,电源电压降到一个不足以确保可靠的信号传输水平时,收发器停止信号发送直到电压恢复到可以工作的水平。这个独特的性能使得可以使用通常情况下三分之一容量的电源。最终结果是减小电源尺寸、成本和热损耗。电源管理对大批量、低成本消费类产品特别有帮助,例如智能电子开关、移动探测器、电源插座、光探测器和调光器。
更值得一提的是,创建一个完整的基于PL3120和PL3150电力线智能收发器的节点,仅需要很少的、廉价的外部器件,如图5-18所示。

图5-18 PL3120和PL3150电力线智能收发器节点结构图
这些器件包括:
1)由大约50个分立元件组成的接口电路,其中大部分是电阻和电容。Echelon公司提供一个完整的开发支持包(DSK),用户可以据此实现这个接口电路。关于购买DSK的详细情况请联系Echelon公司在各地的代理商或代表处。
2)耦合电路由大约10个元件组成,主要是电容和电感,这部分电路用作智能收发器和电源之间简单的高通滤波器。这个电路在提供电涌和线路瞬变保护之外还可以阻止低频率50 Hz/60 Hz AC干线信号。详细的原理图请参考《PL3120/PL3150电力线智能收发器数据手册》。
3)电源。
此外,Echelon公司还向应用电力线设计产品的设计、开发和安装人员提供一种电力线通信分析工具:PLCA-22电力线通信分析仪(型号:58022)。它是一个复杂但又易用的工具,可以在用户的目标环境中测试电力线收发器的可靠性。通信分析仅可以接入在网络的任意两点间,模拟采用Echelon电力线收发器设计的节点。它可以用来测量一些关键的通信参数,例如畸变容限/通信临界、信噪比、误码率以及相位检查等。任何一个通信分析仪可以作为一个发送端,另外一个则自动作为接收端。PLCA-22的设计可以使整个测试由一人完成。它也包含一个RS-232输出端口用于把测试结果记录到PC上。无论是验证PLT-22,还是要了解实际环境参数,使用PLCA-22电力线通信分析仪都是一个快速和方便的手段。
4.FT3120和FT3150智能收发器
LonWorks收发器是LonWorks智能设备中一个重要组成部分。FT3120和FT3150智能收发器将神经元芯片3120及3150的核心与自由拓扑的收发器数字信号处理电路合成在一起,生成一个低成本的智能收发器芯片。该收发器符合ANSI/EIA709.3标准,速率为78 kbit/s,支持双绞线自由拓扑和总线型拓扑,因为在布线上非常灵活,所以系统安装简便,降低了系统成本,同时提高了系统的可靠性。
此外,该收发器在性能上有了极大的提高,尤其是在对电磁场的干扰隔离方面特别明显,可用在恶劣的环境中,它能够防御来自电动机和开关电源等方面的磁场干扰,并且在一些典型的工业和交通现场,在出现了强大的共模干扰时也能可靠地工作。
该芯片只需要极少的外部电路和软件配合工作,因此降低了开发成本和时间,并且还可以与其他的主处理器相连,比如可同时与Echelon公司的ShortStack微服务器以及其他主处理器芯片一起运用,形成一个基于主机的设备。
FT3120和FT3150智能收发器是Echelon公司第三代产品中的一个重要产品。FT3120和FT3150智能收发器和Echelon公司的高性能通信变压器配套使用,从封装到功能完全和TP/FT-10兼容,可以直接与使用TP/FT-10或LPT-10收发器的设备通信并存于同一信道。
该芯片具有神经元3120和3150相同的控制功能,其内嵌的2KB RAM用于缓存网络数据和网络变量,也带有34个可编程标准I/O模式的11个I/O引脚:在每个芯片中也有唯一的48位ID。
FT3120智能收发器支持40 MHz主频,同时内置的E2PROM为4KB,给应用提供了更多的空间。FT3120或FT3150智能收发器结构如图5-19所示。

图5-19 FT3120或FT3150智能收发器结构
5.无线收发器
在LonWorks技术中使用无线通信技术可达到的目的有两个:应用范围更广;可选频率范围宽。对低成本、低发射功率的应用,可设计一个简单的350 MHz收发器;对需要大发射功率的应用,Motorola公司提供有相应的产品,频率范围在450 MHz内。与无线收发器接口的Neuron芯片通信端口应工作在单端工作方式,能达到的数据速率最大是4800 bit/s。
相关推荐