自动弱磁控制直流调速系统是基速以下采用调压调速,基速以上自动进行弱磁升速的调速系统,系统的组成如图2.29所示。图2.29 自动弱磁控制直流调速系统的组成系统弱磁控制过程如下:调节转速给定Un信号,转速上升,在转速没有达到额定转速时,因为电动势反馈信号Ue
2025-09-29
集光、磁、触摸,一体化节能控制电路方案
本例介绍集光控制、磁控和触摸控制为一体的照明开关控制电路,即三种控制方式均可分别控制同一盏灯。本电路可用于家庭、楼道、公共场所的节能灯,也可用于控制其他负载以及往复运动机械限位自动控制等。
1.电路工作原理
本电路由交流电源、变压、整流、滤波、三端稳压、光控、磁控、触摸控制(触控)、NE555转换电路、负载等部分组成。电路组成框图如图6-61所示。
图6-61 电路组成框图
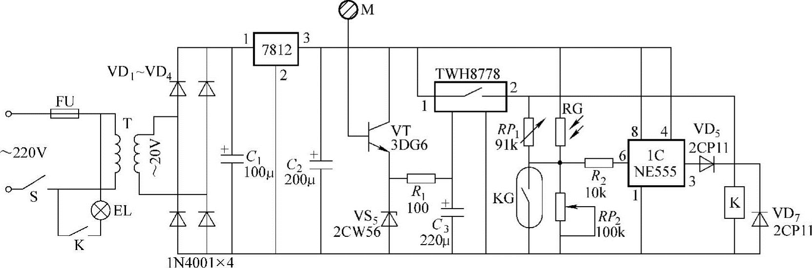
图6-62为“三控”一体的节电开关电路原理图。通电后三控开关处于守候状态,NE555输出低电平,继电器K无电,EL不亮。
图6-62 电路原理图
(1)光控原理
RG为光敏电阻器,在强光线照射下,是低电阻,光电流大,经R2使6端为高电平,约7.8V,3端为低电平,则灯不亮。无光照时(夜晚),光敏电阻器RG暗阻很大,暗电流很小,使NE5556端为低电平,约1.8V,则3端为高电平,K有电,则串在T原边上的常开触头K接通则EL亮。(https://www.chuimin.cn)
(2)磁控原理
磁控电路采用磁簧管,受到磁力的作用,弹簧片吸合,短接RP使NE5556端为低电平,约1.2V,则输出端3端为高电平而导通,使继电器K线圈有电流,常开触头K接通HL亮。
(3)触摸式控制原理
人体所发出的电信号频率范围从0~5kHz,输出电压为微伏至毫伏级,是一个很弱的电压。经示波器观察,还有多种谐波成分。人用手触摸金属片M时,相当于给VT基极提供一个信号,经电流放大后,送到TWH8778大功率驱动开关集成电路,使NE5556端为低电平,则3端为高电平,以后工作状态同前。所以日常使用时,用手一摸灯即亮,也可以作报警用。
2.元器件选择
变压器T200V/20V,NE555,K选用JRX—13F直流电压12V,S选用开关式按钮,其他元器件如图6-68所示。
3.制作与调试
根据图6-68电路原理图,市场购买行列式印制板,按照原理图一一对应顺序焊接元器件,变压器固定在机壳底板上。电源开关S,金属圆片M,光敏电阻器、干簧管K等固定在前面板上。熔断器固定在后面板上,电源进线和灯的出线均从后面板上打孔引入或引出。
本电路只要元器件质量合格,焊接无误,一般都能正常工作。调试时,先接通电源开关S,分别对三个开关电路进行操作,用万用表测量各关键点电压,有条件可用示波器观察各点波形。调整RP值即可改变延时时间。本电路控制方式多样化,以低电压控制高电压,且工作稳定、可靠、反应迅速,无误动作。
相关文章
-
自动弱磁控制直流调速系统优化方案详细阅读
-
控制电路识读方法的优化方案详细阅读
下面介绍几种典型控制电路的识读方法。该控制电路是由4个双向晶闸管、4个驱动三极管和微电脑程序控制器组成的。当水位到达预定水位以后,微电脑程序控制器将进水电磁阀控制的三极管VT6截止,停止向洗涤筒内注入水。在报警灯控制电路中,晶闸管起到了可控开关的作用。图3-35 典型报警控制电路......
2025-09-29
-
转子磁链观测的电流模型法优化方案详细阅读
图4.8 二相静止坐标系上的转子磁链观测模型的计算框图2.按磁场定向的二相旋转坐标系上转子磁链观测模型根据矢量控制方程式和式可以得到在二相旋转坐标系上按转子磁链定向的转子磁链观测模型,如图4.9所示。图4.9 二相旋转坐标系上按转子磁链定向的转子磁链观测模型......
2025-09-29
-
在KDDCUP99数据集上的实验结果优化方案详细阅读
KDDCUP99数据集是网络访问数据记录集[117],它包含了若干个数据集,本书选用的是corrected.gz。每个记录有42个属性,前41个是访问特征属性,最后一个属性是记录的类别标识。从corrected中按比例分别选择两类记录来构造若干子集,其中攻击记录所占比例均小于10%,以使其为特异记录。分别在30+300、50+500、100+1000、200+2000、300+3000共5个子集上分别运行PecuFind算法程序和CpecuFind算法程序。很明显,Cpecu Find发现攻击记录的能力强于Pecu Find。表3.330+300和50+500上的实验结果比较......
2025-09-29
-
节能设计方案:自动人行道能量管理详细阅读
自动人行道作为连续运行的设备,无论有无乘客均在运行,持续消耗能量。这本身就不符合节能减排的要求,因此,近年来无论自动扶梯还是自动人行道的设计都开始流行选用节能模式功能。当有新的乘客踏入楼层板时,感应信号输送到控制柜中,重新启动自动人行道,从而起到节能的效果。同样,间歇式操作模式与需要配合安装交通流量灯,以提醒乘客自动人行道的运行状态及运行方向。......
2025-09-29
-
节能白色LED灯设计:60颗LED的优化方案详细阅读
24颗白色LED交流节能灯的电路图,如图4-58所示。将24颗LED全部串联,灯的功耗降低到3W左右,从而更加节能。灯杯直径76mm、高65mm,比24颗LED的亮度提高很多。图4-59 60颗LED交流白色节能灯电路原理图由于以上两种LED中,使用灯的数量较多,所以在焊接时很容易因为一颗LED损坏或LED引脚与PCB焊接不良而导致全部不亮,所以在制作时一定要仔细认真。......
2025-09-29
-
灵活光与无线网络架构优化方案详细阅读
图5-7基于SDN编排的灵活智能云光载无线网络架构数据平面包括无线网络域、BBU域和光网络域。为了提高光网络域资源调配的灵活性,将OF-BVOS中的一部分WSS扩展为RWFS,以此来支持无线频率交换。......
2025-09-29
-
大尺寸坐标测量方法:光平面交汇优化方案详细阅读
杨凌辉 杨学友 劳达宝 邾继贵 叶声华摘要:工业大尺寸测量中常用的经纬仪、跟踪仪等多站式测量系统大多使用基于空间球坐标系的角度交汇测量方式。介绍了一种基于光平面交汇的多站式大尺寸测量方法。建立了基于双旋转激光平面的单发射站数学模型,推导了接收器三维坐标计算公式并对基于光束平差原理的测站定向方法进行了讨论。......
2025-09-29
相关推荐